歡迎光(guāng)臨重慶涪陵電(diàn)力實業(yè)股份有限公司!
English
|
中文
網站(zhàn)首頁
走進奉欣
産品世界
新聞動态
行業(yè)知識
工(gōng)程圖庫
銷售網絡
聯系我們
産品搜索:
熱門(mén)産品:
新聞中心
·企業(yè)新聞
·行業(yè)知識
産品中心
·節能(néng)電(diàn)力金具
·預絞式金具
·電(diàn)力線路(lù)金具
·變電(diàn)金具
·電(diàn)站(zhàn)金具
·絕緣護罩和熱冷縮附件(jiàn)
首頁 >
電(diàn)站(zhàn)金具
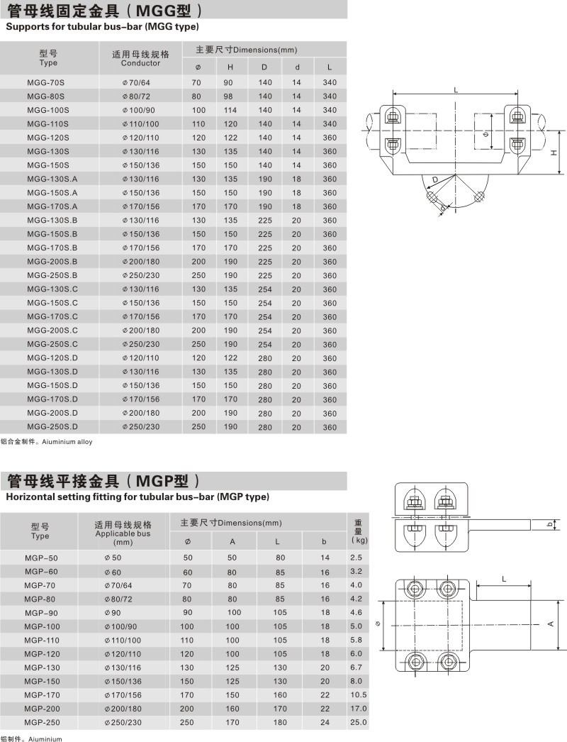
管母線端部固定金具(MGG型)